1. 榴莲视频官网APP直接进入,榴莲视频污版官网,榴莲污视频下载,黄色软件榴莲视频

      [榴莲视频污版官网-榴莲污视频下载-黄色软件榴莲视频-交流,直流各型号散热通风产品]生产厂家_深圳市榴莲视频官网APP直接进入电子有限公司欢迎光临!
      13925226756

      资讯中心

      400mm外转子交流黄色软件榴莲视频发布

      文章来源: 作者:DEVER 发布日期:2021-09-26 15:25 浏览次数:2756
      深圳市榴莲视频官网APP直接进入电子有限公司发布新产品400mm交流外转子黄色软件榴莲视频,叶轮由高强度铝合金材料制成,叶轮质量轻,整机节能,强度高,耐高温,耐腐蚀,产品广泛应用于空气净化器行业。
      产品参数如下:
      400mm黄色软件榴莲视频参数表
      产品型号 额定电压 工作频率 额定电流 额定功率 额定转速 最大风量 最大静压 噪音值
      V HZ A W RPM M3/H Pa dBA
      RA-ACC400L31 380 50 0.32 100 950 1765 250 61
      RA-ACC400L21 220 50 0.56 120 950 1765 250 61
      RA-ACC400M21 220 50 1.20 260 1350 2470 350 71

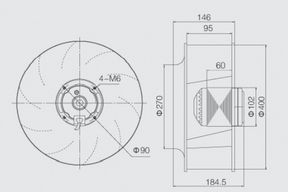
      400mm黄色软件榴莲视频安装尺寸图:


      产品外观图片:


        友情提示:  以上规格为深圳市榴莲视频官网APP直接进入电子有限公司标准产品规格型号和参数,如果您对400mm外转子黄色软件榴莲视频的参数和配置各项有特殊要求,请联系榴莲视频官网APP直接进入,榴莲视频官网APP直接进入的黄色软件榴莲视频专业工程师团队会根据你的实际需求,榴莲视频官网APP直接进入会以最快的速度为你提供最优散热通风解决方案和质优价廉的榴莲视频污版官网产品!有关散热、通风解决方案和风扇产品咨询,请拨打24小时热线电话:13925226756.
      {dede:global.cfg_tel/}
      网站地图